公司簡介
產品項目
服務項目
技術資料
原廠連結
聯絡我們
Lang
中
EN
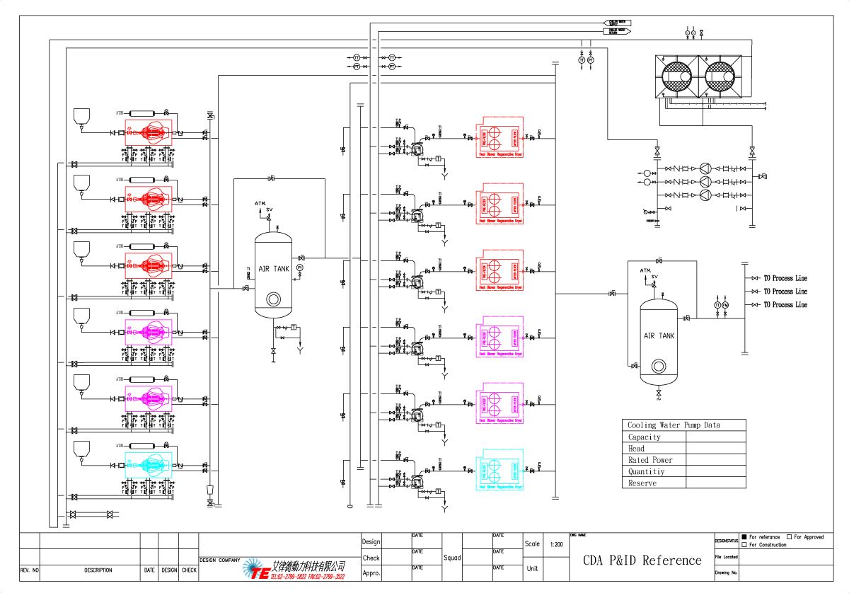
TECHNICAL
技術資料
系統規劃
系統規劃
-P&I D
圖